熱門關(guān)鍵詞: 永磁步進(jìn)電機(jī) BYJ系列步進(jìn)電機(jī) 直流電機(jī) 步進(jìn)電機(jī)
咨詢熱線
13829170860




13829170860
|
型號 Modle |
驅(qū)動電壓 Diver Voltage (DC V) |
NO LOAD(零負(fù)載) |
Rated load(額定負(fù)載) |
Stall(間隔/停止轉(zhuǎn)動) |
重量 Height(g) |
||||||
|
Speed(轉(zhuǎn)速) |
Current(電流) |
Torque 轉(zhuǎn)矩 |
Speed轉(zhuǎn)速 |
Current(電流) |
Torque 轉(zhuǎn)矩 |
Current(電流) |
|||||
|
r/min |
A |
g-cm |
mN-m |
r/min |
A |
g-cm |
mN-m |
A |
|||
|
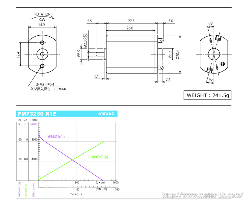
BHFMF3260-01 |
100(AC) |
9500 |
0.08 |
320 |
31.4 |
7050 |
0.42 |
241.5 |
|||
博厚首頁 步進(jìn)電機(jī) 直流電機(jī) 行業(yè)案例 新聞資訊 工廠實(shí)景 采購流程 博厚品牌 聯(lián)系博厚 網(wǎng)站地圖 在線留言
微信在線咨詢